Hot-Dip Galvanized Steel Channel for Retaining Wall DIY C-Section End Post
Product Introduction
C-Section Joiner Post
C-shaped steel has good plasticity and flexibility, and high structural stability.
It is especially suitable for building structures that bear large vibration and shock loads,
such as buildings in earthquake-prone areas.In addition, the section size design of C-shaped steel is reasonable, which can make more efficient use of materials and reduce the consumption of raw materials, energy and labor.
Product Display
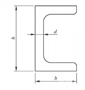
Specification
| Specification | Weight per meter | Height | Flange Width | Flange Web Thickness |
| Profile | kg/m | h | b | tw |
| 100PFC/9 | 9 | 100 | 48 | 5.3 |
| 125PFC/12 | 12.3 | 125 | 63 | 6.5 |
| 160PFC/22 | 17.3 | 160 | 63 | 6.5 |
| 200PFC/22 | 22.3 | 200 | 73 | 7 |
| 250PFC/35 | 35.3 | 250 | 82 | 11 |
Product Application
Quality Inspection
Packaging & Shipping
Our Workshop
Contact Details
Write your message here and send it to us



























